Hoe moeilijk kan het zijn om een dubbele auto-down functie te realiseren ?
Eerst maar eens uitleggen wat daarmee bedoeld wordt, want het zal wellicht niet bij iedereen direct een belletje laten rinkelen. Het gaat over de bediening van de portierramen. Dat ze elektrisch omhoog en omlaag kunnen is al mooi natuurlijk, maar er is een overtreffende trap. Onder een auto-down functie versta ik, dat je na één korte druk op de knop het raam volledig naar beneden ziet gaan. Zo zullen er ook genoeg auto’s zijn met een auto-up functie, maar dat is toch iets minder gebruikelijk. Bij een dubbele auto-down functie kun je beide ramen, afzonderlijk van elkaar, compleet openen.
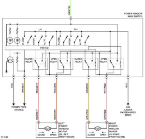
De NBFL kreeg als eerste een raamschakelaar met een auto-down functie voor de bestuurder. Altijd handig als je bij een parkeergarage of tolpoortje het raam snel volledig wil openen. Voor de bijrijder was die functie er niet, terwijl we in die bouwjaren nog lang niet allemaal met navigatie in de auto rondreden, en af en toe naar de weg konden vragen bij een vriendelijk passant. Maar belangrijker voor een MX-5 rijder is, om snel beide ramen volledig te openen om vervolgens met volle teugen van het open rijden te gaan genieten. De NBFL had dus één auto-down knop, en niet twee zoals ik in de foto boven dit bericht geknutseld heb.
Er zijn echter wél twee varianten van de raamschakelaar, omdat ze in sommige landen nog steeds de gewoonte hebben om aan de verkeerde kant van de weg rijden. De elektronica en mechanica in die schakelaars is dan ook verschillend.

Ondertussen wordt er binnen de MX-5 community gewerkt aan een oplossing voor de NA, NB en NBFL. Die oplossing zou met behulp van een Arduino, een soort mini-computer, niet alleen de auto-down functie, maar ook de auto-up functie voor beide ramen mogelijk moeten maken. Het prototype schijnt te werken, maar ik heb het nog niet kunnen testen.

Wat ik wél heb kunnen testen, is de raamschakelaar van een 2006-2008 NC met retractable hardtop (maar zónder keyless entry). In dat model zit namelijk een raamschakelaar met een auto-down functie voor beide ramen. Dat heeft er volgens mij mee te maken, dat Mazda de ramen via een elektrisch signaal, een beetje opent voordat het dat automatisch geopend of gesloten wordt. Die schakelaar heb ik voor de aardigheid eens aangesloten op mijn NBFL en dat werkte prima, maar het past natuurlijk voor geen meter.

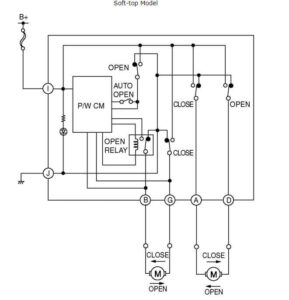
De volgende vraag was, of die schakelaar dan ook in een NC met softtop zou kunnen gebruiken. Het korte antwoord is: JA
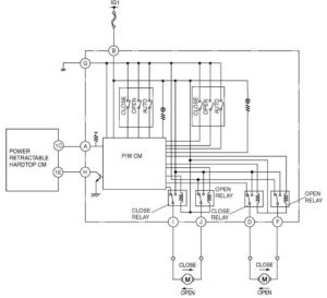
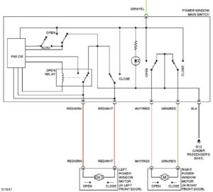
Op zich wel een leuke test voor jezelf, om op basis van de verschillende schema’s, te bedenken hoe je het aan de praat zou kunnen krijgen. Om het vraagstuk op te lossen heb je deze vier schema’s nodig.


Uiteindelijk komt het er op neer, dat je buiten die schakelaar geen andere ingrediënten nodig hebt. Alle draden en de juiste connector zijn aanwezig, alleen de plaats van een aantal draden in de connector wordt anders. Doe je het fout, dan heb je kans op kortsluiting 🙂
Omdat die schakelaar niet makkelijk gebruikt te vinden is, en nieuw bijna €200 kost, zet ik deze modificatie ook onder het kopje “Zeldzaam”. Als je het wil proberen, zoek dan naar deze schakelaar:


Omdat het onderwerp toch regelmatig terugkomt in diverse groepen op Facebook, heb ik er een video over gemaakt. Hierin wordt besproken hoe je de upgrade uit kunt voeren op een NB1 of NC.
Voor eventuele vragen kun je me bereiken via de contact pagina.
